截油排水系列
液化氣切水器
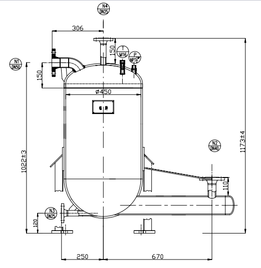
|產品介紹
HQSY型液化氣自動切水器是我公司根據液化氣自動切水的需要,自行設計開發的新產品,它具有不受罐內壓力大小的影響,不需要外加動力,機械切水,該設備使用壽命長,可人工職守自動切水或者TCP協議遠程控制切水,安全可靠雙保險,在寒冷季節,球罐底部水層易冰凍的情況下可在設備外加保溫盤管來加溫確保正常的切水工作。并且憑借其獨特的密封工藝,能確保球罐切水器無論是帶壓脫水,還是脫水完畢后受壓都不會產生介質泄露。在0-60Mpa壓力范圍內進行切水,切水完畢后數月內無介質泄露,完全可以滿足工作需要。
本設備在球罐上取代了用人工切水,解決了切水容易泄露的弊端,并降低了石油液化氣的浪費,有效的控制人體中毒,易燃易爆的發生,因此,本產品也滿足了系統排放管道化的要求,避免了無序排放,改善了生態環境。
本設備在球罐上取代了用人工切水,解決了切水容易泄露的弊端,并降低了石油液化氣的浪費,有效的控制人體中毒,易燃易爆的發生,因此,本產品也滿足了系統排放管道化的要求,避免了無序排放,改善了生態環境。
|產品結構

本產品由殼體、浮子、杠桿及浮力放大機構、無背壓二次密封閥等主要部件組成,它利用水和液態烴的密度差及液體在容器內壓力均布的原理,通過浮子沉浸在水和液態烴中浮力差實現上下運動,借助力的放大機構放大浮力差,以此為動力來控制無壓閥的開啟和關閉,并將切水器罐內分離的液態烴快速返回到球罐內,從而達到切水控制的目的。
|產品技術參數
1、 設計壓力:2.2Mpa-6.4Mpa2、 工作溫度:-20℃-50℃
3、 工作介質:液化烴類和水
4、 脫水介質密度:≤790KG/立方
5、 切水量:0.01-30立方/小時
6、 切水含烴量:≤20PPM
|安裝維護
安裝、檢測步驟及注意事項1.在專業人員的指導下安裝,為確保球罐切水器的順利工作,切水器應處于水平狀態。
2.安裝前和后均不要讓任何物體或者雜質落入球罐切水器罐內,或落在閥座上導致磕壞或者刮傷密封面,從而造成設備失效。
3.現場安裝前,封閉介質入口閥處于關閉狀態,請開啟排水口,從放空口充入壓縮空氣0.6-2.5Mpa(任何一值均可),檢查在無水的狀態下設備的密封效果是否因運輸環節受到影 響。
4.上述過程中發現排水口有風沖霧射狀態,說明閥門密封不嚴,應立刻關閉排水口閥及入口閥,設備不得安裝,在供應商專業的指導下調整。
5.確定無誤后在切水器入水口與對接彎頭沒有連接前,開啟排水閥、關閉放空口閥、倒入清潔的110升水到球罐切水器罐內,邊倒邊觀察,到排水口不斷排水,當排水口排水結束 后關閉排水口繼續倒水直到水灌滿為止。
6.安裝處地面應用水平儀找平,并保持較高強度,用3個M20地腳螺栓安裝。
7.按圖紙的尺寸及方位先將介質到切水器的管線安裝好,再測量閘閥F1中心線到地面的高度,確保從球罐底部到切水器入口為坡形,為避免罐根閥受力應先確定切水器支腿具體 位置,擱置減震墊片,將切水器擱置在減震墊片上,不斷調整各減震墊片的厚度,直到對接處中心高度完全一致,再按照圖紙上焊對接法蘭的方法確保兩處法蘭螺栓對接輕松, 閘閥不受力。
8. 全部對接安裝后確保所有閥門處于關閉狀態。
9.無誤后球罐切水器應接地,以防止靜電積聚產生潛在的危險。
為確保切水器的安全可靠的工作,應充分熟讀并理解本品的配套說明,應至少每三天巡檢一次球罐切水器,及時了解設備的使用情況,當發現:
1. 各密封連接處、閥門的閥柄與閥體結合處出現泄漏或滲漏,應及時關閉入口閥、排水口閥。
2. 盡量減少閥門的操作,避免閥體過早出現磨損而泄漏
3.本品連續0.5-1小時不排水應關閉排水口閥門,作業完畢及時關閉閥門
4.放空口閥門僅在安裝期間或排污、檢修、放空時開啟,其他時候均關閉嚴密
5.至少每一年按檢測報告及驗收檢測辦法進行切水及密封性能檢測
6.定期排污,應根據現場情況及時除去切水器內的污垢,在確定切水器內及球罐排水管內全部為水時出去雜質,注意:排污前先關閉罐根閥,再開啟放空口,確保切水器內及球 罐內無液態烴
7. 安裝完成投產前或檢修完畢后必須清污再投產。
切水器的檢查與維修
1.切水器必須加強日常檢查和維護保養,發生故障應及時排除,保持切水器處于良好的工作狀態,并嚴格執行當地勞動部門和公安消防部門的有關規定。
2.液化石油切水器的定期檢查,分為月檢、年度檢和全面檢驗三種,年度檢驗每年檢查一次,全面檢驗按《容歸》相關規定進行,切水器從投入使用起三年內必須進行首次全面檢 驗,年度檢驗如發現嚴重缺陷,必須提前全面檢驗。
3.承擔全面檢驗的部門和用戶應按勞動相關管理規程的條文嚴格執行。
A、液化石油切水器的年度檢驗包刮以下內容。
(1)檢查切水器表面有無裂紋、腐蝕、凹坑、泄露等缺陷。
(2)按照《容歸》有關要求檢查,進行相應的性能試驗和檢驗,不合格零部件應及時更換。
(3)所有法蘭密封情況。
(4)耐壓試驗及殼體厚度檢測(是否大于計算厚度)
B、月度檢驗包刮以下內容
(1)切水器的外觀有無異常情況發生
(2)切水量是否正常
(3)排水時是否泄露液態烴
(4)當完成切水操作后,切水器出水口的閥門是否關閉
(5)監控系統各部分是否運行正常
故障排除
1.切水器罐體連接法蘭密封面泄露
原因:1、密封面多次使用導致墊片損壞。2、螺栓擰緊時緊固力不夠,或者不均勻。
消除方法:1、更換密封墊片。2、緊固法蘭的連接螺栓、更換失效的螺栓、螺母。
2.排水閥泄露
原因:1、液化石油氣雜質侵入排水閥內,影響正常操作。2、密封面長期使用有損傷、老化或污垢卡住密封圈。
消除方法:1、清洗排水閥。2、更換密封圈。








產品中心 
